母液干化机
产品介绍:
工作原理滚筒干燥母液干化机是一种内加热传导型转动连续干燥设备。旋转的滚筒通过其下部料槽,粘附着一厚度的料膜,热量通过管道输送至滚筒内壁,传导到滚筒外壁,再传导给料膜,使料膜中的湿得到蒸发、脱湿、使含湿分的物料得到干燥。干燥好的物料被装置在滚筒表面的刮刀…
母液干化蒸发一体机是由常州亿善环保自主研发的一种内加热传导型转动干燥设备,湿物料在滚筒外壁上获得以导热方式传递的热量,脱除水份,达到所要求的湿水含量,热量由筒内壁传到筒外壁,再穿过料膜,其热效率高,可连续操作,故广泛应用于液态物料或带状物料的干燥。
常州亿善环保的母液干化机对膏状和粘稠物料更为适用。
一、特点
1、热效率高:
筒内供给的热量,除少量热辐射和筒体的端盖部分散热损失外,大部分热量用于湿分气化,热效率可高达70~80%
2、干燥速率大:
筒壁上湿料膜的传热与传质过程,由里至外,方向一致,温度梯度较大, 使料膜表面保持较高的蒸发强度,一般可达30~70kg.H₂O/m².h。
3、产品的干燥质量稳定:
滚筒供热方式便于控制,筒内温度和间壁的传热速率能保持相对稳定,使料膜能处于稳定传热状态下干燥,产品的质量可获得保证。
4、适用范围较广:
采用滚筒干燥的液相物料,必须具有流动性、粘附性和对热的稳定性物料的形态可为溶液、非均相的悬浮液、乳浊液、溶胶等。对纸浆、纺织物、赛璐珞等带状物料也可采用。
5、单机的生产能力:
受到筒体尺寸的限制 一般滚筒干燥器的干燥面积,不宜过大。单筒的干燥面积,很少超过12m2。同一规格的设备,其处理料液的能力,还受到料液性质、湿含量控制、料膜厚度、滚筒转速等因素的影响,变化幅度较大,一般在50~2000kg/h。
6、供热介质简便:
常用饱和水蒸气,压力范围为2~6kgf/com2,很少超过8kgf/cm2。对某些要求在低温下干燥的物料,可采取热水作为热媒:对要在较高的温度下干燥的物料,也可用热媒或高沸点有机物作为热媒。
二、技术规格
|
规格 |
滚筒尺寸 |
有效加热
面积m2
|
干燥能力
kg.H2O/m2.h
|
蒸汽耗量kg/h |
电机功率kw |
外形尺寸mm |
重量kg |
|
TG-600 |
Φ600×800 |
1.12 |
40-70 |
100-175 |
2.2 |
1700×800×1500 |
850 |
|
TG-700 |
Φ700×1000 |
1.65 |
60-90 |
150-225 |
3 |
2100×1000×1800 |
1210 |
|
TG-800 |
Φ800×1200 |
2.26 |
90-130 |
225-325 |
4 |
2500×1100×1980 |
1700 |
|
TG-1000 |
Φ1000×1400 |
3.30 |
130-190 |
325-475 |
5.5 |
2700×1300×2250 |
2100 |
|
TG-1200 |
Φ1200×1500 |
4.24 |
160-250 |
400-625 |
7.5 |
2800×1500×2450 |
2650 |
|
TG-1400 |
Φ1400×1600 |
5.28 |
210-310 |
525-775 |
11 |
3150×1700×2800 |
3220 |
|
TG-1600 |
Φ1600×2000 |
6.79 |
270-400 |
675-1000 |
11 |
3350×1900×3150 |
4350 |
|
TG-1800 |
Φ1800×2500 |
8.48 |
330-500 |
825-1250 |
15 |
3600×2050×3500 |
5100 |
|
TG-1900 |
Φ1900×3000 |
10.60 |
420-630 |
1050-1575 |
18.5 |
5000×2200×3800 |
6150 |
注:如客户需要,可为客户设计制造上部进料双滚筒干燥机。
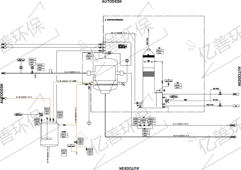
三、工艺流程图
-
2024-11-05 14:23:51
我公司给安徽大型企业小苏打沸腾干燥机调试正常
-
2023-03-01 22:03:17
今年开工以来,公司全国市场积极拓展,公司销售、生产、发货三大主要指标皆创佳绩。 在大量经销商订单的带动下,公司的生产部…
-
2023-02-19 16:54:23
安徽某精细化工有限公司在我司定制一套的10型闪蒸干燥机车间发货啦! 此次采购的闪蒸干燥机物料经过SUS304不锈钢制作,蒸汽加…
-
2023-01-22 17:07:01
日月开新年,万象启新篇。值此新春佳节到来之际,“常州亿善”全体人员。给大家拜年啦!
-
2022-12-15 21:40:08
亿善环保为山东客户提供母液干化机调试服务近日,常州亿善环保收到山东某公司的调试服务需求,随后我司技术人员立即前往客户所在地…
-
2022-10-12 20:12:04
浙江客户非标定制的喷雾干燥机现场



